RF20 Side-loading Microcomputer Planar Valve

Output:Max25T/h

Product introduction

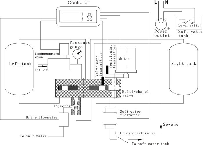
RF double tank floating bed plane multi-way valve, realized tow tank softening at the same time and regenerating alternate, integrated with brine jet device and brine flow meter and brine electric valve, with soft water flow meter, guarantees the water softening , the water regenerating and water filling to salt box, Complete according to the set volume.as long as the factory according to the raw water hardness set corresponding operation parameters, can always guarantee the stable operation of the equipment, guarantee the softened water and salt consumption.Soft water level control contact input, 485 communication interface, external control input interface, same as ZR series for high hard water softening.

 
 

table of configuration (reference)

model

RF20-10

RF20-15

RF20-20

RF20-25

Rated amount of water production

10T/h

15T/h

20T/h

25T/h

presure

0.08MPa

0.10MPa

0.12MPa

0.15MPa

Flow rate of softener water

15-55m/h

power

~220V;0.03kw

Hardness of outflow

≤0.03mmol/L

Hardness of intflow

Ⅰ:≤6mmol/L;Ⅱ:≤12mmol/L;Ⅲ:≤20mmol/L;

Rate of water consumption

≤5%

Swap tank
(4"-8UN)

2-d450×1368

2-d500×1636

2-d600×1636

2-d750×1600

2-d450×1650

2-d600×1800

2-d600×1800

2-d750×1800

2-d500×2000

2-d600×2200

2-d750×2200

2-d750×2200

Capacity of the brine tank (L)

350

500

800

800

Amount of resin filled

90%-95% of Capacity of the swap tank

water distributor (4"-8UN)

BSQ-S4-50-40 BSQ-S4-50-60 BSQ-S4-50-100 BSQ-S4-50-120

electricmagnetic valve

DF40

DF40

DF50

DF50

diameter of inflow and outflow

≥DN40

≥DN40

≥DN50

≥DN50

 

 

 

 

 

brine YF600

water distributor
filter
Solenoid

 

 

MANUAL DOWNLOAD